客(ke)戶服務
| 地址: | 河北省(shěng)泊頭市道最近最新中文字幕MV🚩免费版🌈東街(jiē)88号 |
| 電話: | 0317-8185077 |
| 0317-8263980 | |
| 0317-8223128 | |
| 傳真: | 0317-8265584 |
| E-mail: | [email protected] |

| 地址: | 河北省(shěng)泊頭市道最近最新中文字幕MV🚩免费版🌈東街(jiē)88号 |
| 電話: | 0317-8185077 |
| 0317-8263980 | |
| 0317-8223128 | |
| 傳真: | 0317-8265584 |
| E-mail: | [email protected] |
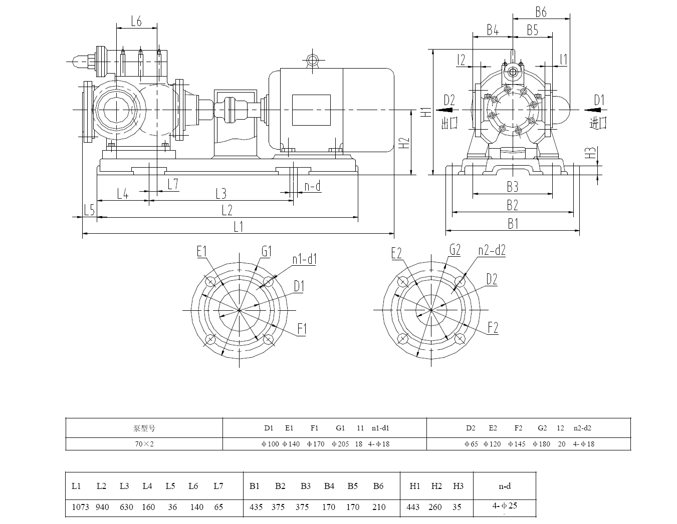
| 3GR70*2W2三螺杆泵配Y7.5KW-4安(ān)裝尺寸圖 |
| 發布(bu)時間:2016-5-20 9:50:12 點擊次數(shu): |
3GR70*2W2三螺杆泵配Y7.5KW-4安(an)裝尺寸圖 |